Поиск по марке и модели
-
Автомобиль: NISSAN LEOPARD (TR-X), JAPAN, JPY32, 1992.06 - 1995.11
Чтобы исключить ошибку подбора, проверьте применяемость по VIN‑номеру, либо обратитесь за консультацией к специалисту.
-
-
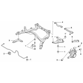
1
358 ₽ / упак. -
1
2-01-608 Полиуретановая втулка стабилизатора, передней подвески I.D. = 25 мм
В упаковке: 2 шт. На авто: 2 шт.ПодробнееVG30DE 9206-9401
508 ₽ / упак. -
1 Не производится -
2
2-06-128 Полиуретановый сайлентблок передней подвески, поперечного рычага
В упаковке: 1 шт. На авто: 2 шт.ПодробнееVH41DE 9206- VG30DE 9206-
1 326 ₽ / упак. -
3 Не производится -
3 Не производится -
4
2-06-098 Полиуретановый сайлентблок передней подвески, продольной реактивной тяги
В упаковке: 1 шт. На авто: 2 шт.ПодробнееVH41DE 9404- VG30DE 9404-
1 833 ₽ / упак. -
4
2-06-126 Полиуретановый сайлентблок передней подвески, продольной реактивной тяги
В упаковке: 1 шт. На авто: 2 шт.ПодробнееVH41DE 9206-9404 VG30DE 9206-9404
1 680 ₽ / упак.
-
-
-
1
620 ₽ / упак. -
1
504 ₽ / упак. -
1
2-02-1238 Полиуретановая втулка задней подвески, стойки стабилизатора, с буртиком I.D. = 8 мм
В упаковке: 2 шт. На авто: 2 шт.388 ₽ / упак. -
2
2-01-399 Полиуретановая втулка стабилизатора, задней подвески I.D. = 20 мм
В упаковке: 2 шт. На авто: 2 шт.240 ₽ / упак. -
2
2-01-611 Полиуретановая втулка стабилизатора, задней подвески I.D. = 19 мм
В упаковке: 2 шт. На авто: 2 шт.478 ₽ / упак. -
3 Не производится -
4
2-06-130 Полиуретановый сайлентблок задней подвески, верхнего рычага
В упаковке: 1 шт. На авто: 8 шт.1 314 ₽ / упак. -
5
2-06-131 Полиуретановый сайлентблок задней подвески, верхнего поперечного рычага
В упаковке: 1 шт. На авто: 2 шт.972 ₽ / упак. -
5
2-06-1722 Полиуретановый сайлентблок задней подвески, поперечного рычага
В упаковке: 1 шт. На авто: 2 шт.533 ₽ / упак. -
6
2-06-130 Полиуретановый сайлентблок задней подвески, верхнего рычага
В упаковке: 1 шт. На авто: 8 шт.1 314 ₽ / упак. -
7
2-06-1234 Полиуретановый сайлентблок задней подвески, нижнего рычага (треугольный)
В упаковке: 1 шт. На авто: 4 шт.1 301 ₽ / упак. -
7 Не производится -
7 Не производится -
8
2-06-130 Полиуретановый сайлентблок задней подвески, верхнего рычага
В упаковке: 1 шт. На авто: 8 шт.1 314 ₽ / упак. -
9
2-06-130 Полиуретановый сайлентблок задней подвески, верхнего рычага
В упаковке: 1 шт. На авто: 8 шт.ПодробнееVG30DE +VH41DE 9505-; VG30DE +VH41DE 9206-9505
1 314 ₽ / упак.
-
-