Поиск по марке и модели
-
Автомобиль: TOYOTA BREVIS, JAPAN, JCG15, 2001.10 - 2007.06
Чтобы исключить ошибку подбора, проверьте применяемость по VIN‑номеру, либо обратитесь за консультацией к специалисту.
-
-
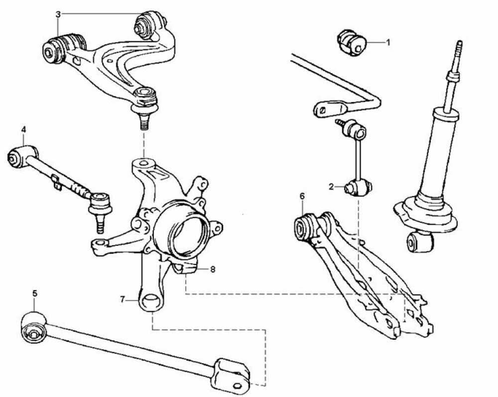
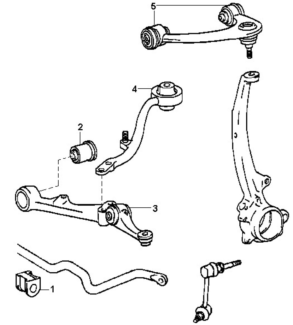
1
-
2
1-06-119 Полиуретановый сайлентблок передней подвески, поперечного рычага
В упаковке: 1 шт. На авто: 2 шт. -
3
1-06-240 Полиуретановый сайлентблок передней подвески, нижнего поперечного рычага, крепление амортизатора 4WD (пневмо)
В упаковке: 1 шт. На авто: 2 шт. -
4
1-06-264 Полиуретановый сайлентблок передней подвески, реактивной тяги
В упаковке: 1 шт. На авто: 2 шт. -
5
1-06-251 Полиуретановый сайлентблок передней подвески, верхнего рычага
В упаковке: 1 шт. На авто: 4 шт.
-
-
-
1
1-01-913 Полиуретановая втулка стабилизатора, задней подвески I.D. = 11,5 мм
В упаковке: 2 шт. На авто: 2 шт. -
2 Не производится -
3 Не производится -
4
1-06-1216 Полиуретановый сайлентблок задней подвески, переднего поперечного рычага
В упаковке: 1 шт. На авто: 2 шт. -
5
1-06-1217 Полиуретановый сайлентблок задней подвески, продольного рычага,
В упаковке: 1 шт. На авто: 2 шт. -
6
1-06-1218 Полиуретановый сайлентблок задней подвески, заднего поперечного рычага
В упаковке: 1 шт. На авто: 2 шт. -
7
1-06-1215 Полиуретановый сайлентблок задней подвески, ступицы, крепление продольного, поперечного рычага
В упаковке: 1 шт. На авто: 2 шт. -
8
1-06-1024 Полиуретановый сайлентблок задней подвески, блок — шарнир ступицы
В упаковке: 1 шт. На авто: 2 шт.
-
-